12月25日,国家重大科技基础设施“加速器驱动嬗变研究装置”(CiADS)项目建设取得重要标志性进展。超导直线加速器常温前端成功调试出束,能量和流强达到设计指标。
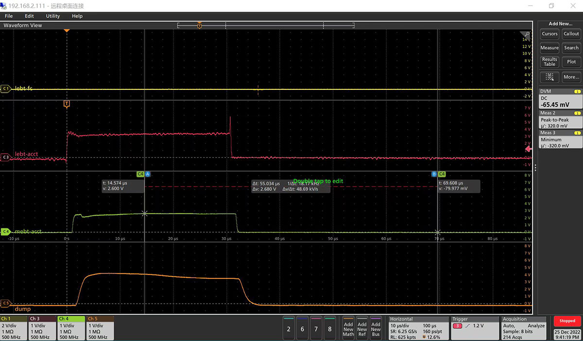
CiADS主要由超导直线加速器、高功率散裂靶、次临界反应堆3大系统及其辅助配套设施构成。超导直线加速器常温前端包括离子源、低能传输线、射频四极加速器(RFQ)以及中能传输线等,其束流品质对超导直线加速器稳定运行具有重要的意义。在CiADS常温前端研制和安装调试过程中,项目团队克服疫情造成的困难,确保相关工作严格按照计划进行,按期完成了常温前端设备的研制和现场装配,初步调试质子脉冲束流能量2.18MeV、流强5.2mA,达到了工程设计指标。项目团队将在常温前端继续开展束流品质优化和稳定性控制相关研究,为超导直线加速器建设和稳定运行打下良好基础。

图1.超导直线加速器常温前端安装现场

图2.超导直线加速器常温前端


图3.常温前端束流调试情况
附件下载: