2021年4月电源进展
发布时间:2021-04-15 

图片说明:

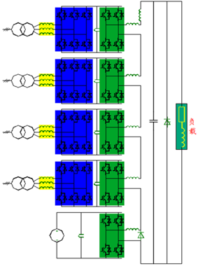
        HIAF BRing 二极铁电源样机现场调试取得新的进展,目前正在进行不同厂家单支路、四高压源一低压源、满功率2000A/3Hz、72小时拷机测试。同时对三个支路的重要器件温度进行了对比与分析,包括高压源整流二极管温度、高压源H桥IGBT温度、叠母温度(电容温度)方面、进出水温度、变压器、电抗器温度等。数字控制器方面完成上位机调试界面、主控制器、从控制器主要功能模块程序开发,基于1个主控制器串联2个从控制器的:上位机调试界面到主控制器之间的通信功能测试、主从控制器之间的通信功能测试以及主控制器的故障保护功能测试。
        图片1为现场调试图;
        图片2为拷机用拓扑;
        图片3为拷机电流波形:周期3Hz,333ms,平顶电流:2000A,满功率;
        图片4重要温度测试点;
        图片5为测试平台;
        图片6为上位机界面。